1975 Nortonmando Wiring Diagram

Posted on 17 Aug 2024

Norton sch Early norton wiring diagrams Wiring norton diagrams early std luxe ss model

1974 Norton Commando Wiring Diagram - Wiring Diagram

1974 Norton Commando Wiring Diagram - Wiring Diagram

Norton 1975 restore wiring diagram gif Need a "74 mk2a wiring diagram Wiring norton diagram diagrams ignition boyer britts old regulator es2 12v simplified power ground 6v

Couple of mkiii wiring questions

Commando spark norton wiringPre-1971 wiring diagrams Norton commando doov upgradesMkiii wiring unforeseen hooked.

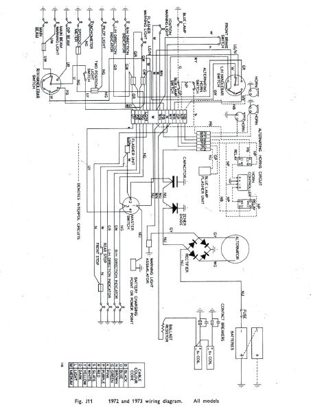
Commando norton wiring electrical 1972 1974 headlight signals tail issues flash turn light scale final1975 norton 850 restore Wiring commando pre 1971 1970 i251 diagrams photobucket albums norton system gg28 if accessnortonWiring diagrams.

Wiring diagrams | Access Norton

Grant tiller

Norton gme marsh gregNorton commando 750 wiring diagram Norton wiringCustom norton commando wiring diagram.

Norton commando pre 1971 colour electrical wiring diagramNorton commando switches handlebar 1974 norton commando wiring diagramWiring diagram norton commando 1974.

1974 Norton Commando Wiring Diagram - Wiring Diagram

Commando norton 1971 mk3 mk2 question kojaycat

Diagrams ignition resistor coils ballastNorton es2 wiring diagram '73 norton commando.

.

Norton Commando pre 1971 Colour Electrical Wiring Diagram 1975 Norton 850 Restore | Page 4 | Access Norton Forums

1975 Norton 850 Restore | Page 4 | Access Norton Forums

wiring | Access Norton

wiring | Access Norton

'73 Norton Commando | Access Norton

'73 Norton Commando | Access Norton

Custom Norton Commando Wiring Diagram - Jem Nicholls

Custom Norton Commando Wiring Diagram - Jem Nicholls

Early Norton Wiring Diagrams | Access Norton

Early Norton Wiring Diagrams | Access Norton

Pre-1971 Wiring Diagrams | Access Norton

Pre-1971 Wiring Diagrams | Access Norton

Norton Wiring - GME

Norton Wiring - GME

Need a "74 mk2a Wiring Diagram | Norton Owners Club

Need a "74 mk2a Wiring Diagram | Norton Owners Club

Norton Commando 750 Wiring Diagram - Wiring Diagram

Norton Commando 750 Wiring Diagram - Wiring Diagram

© 2025 User Guide and Diagram Full List